浙江泰栐新能源有限公司
0577-27858858
首页
首页
关于我们
关于我们
公司简介
企业文化
资质荣誉
关于我们
公司简介
企业文化
资质荣誉
产品中心
产品中心
真空断路器系列
万能式断路器系列
隔离开关系列
双电源自动转换开关系列
塑料外壳式断路器系列
控制与保护开关电器系列
小型断路器系列
消防设备电源监控系统
交流接触器系列
电涌保护器系列
多功能电力仪表系列
自愈式并联电容器系列
智能型集成电力电容器系列
无功补偿测控装置
智能投切复合开关系列
无功补偿控制器系统
低压串联电抗器系列
切换电容器接触器系列
热过载继电器系列
电能质量产品系列
智能照明模块系列
微机装置
预装式箱式变电站
高低压成套开关柜
电缆分接箱
配电箱
产品中心
真空断路器系列
万能式断路器系列
隔离开关系列
双电源自动转换开关系列
塑料外壳式断路器系列
控制与保护开关电器系列
小型断路器系列
消防设备电源监控系统
交流接触器系列
电涌保护器系列
多功能电力仪表系列
自愈式并联电容器系列
智能型集成电力电容器系列
无功补偿测控装置
智能投切复合开关系列
无功补偿控制器系统
低压串联电抗器系列
切换电容器接触器系列
热过载继电器系列
电能质量产品系列
智能照明模块系列
微机装置
预装式箱式变电站
高低压成套开关柜
电缆分接箱
配电箱
下载中心
下载中心
新闻中心
新闻中心
联系我们
联系我们
当前位置:
首页
产品中心
高低压成套开关柜
高低压成套开关柜
产品中心
真空断路器系列
万能式断路器系列
隔离开关系列
双电源自动转换开关系列
塑料外壳式断路器系列
控制与保护开关电器系列
小型断路器系列
消防设备电源监控系统
交流接触器系列
电涌保护器系列
多功能电力仪表系列
自愈式并联电容器系列
智能型集成电力电容器系列
无功补偿测控装置
智能投切复合开关系列
无功补偿控制器系统
低压串联电抗器系列
切换电容器接触器系列
热过载继电器系列
电能质量产品系列
智能照明模块系列
微机装置
预装式箱式变电站
高低压成套开关柜
电缆分接箱
配电箱
产品中心
真空断路器系列
万能式断路器系列
隔离开关系列
双电源自动转换开关系列
塑料外壳式断路器系列
控制与保护开关电器系列
小型断路器系列
消防设备电源监控系统
交流接触器系列
电涌保护器系列
多功能电力仪表系列
自愈式并联电容器系列
智能型集成电力电容器系列
无功补偿测控装置
智能投切复合开关系列
无功补偿控制器系统
低压串联电抗器系列
切换电容器接触器系列
热过载继电器系列
电能质量产品系列
智能照明模块系列
微机装置
预装式箱式变电站
高低压成套开关柜
电缆分接箱
配电箱
搜索
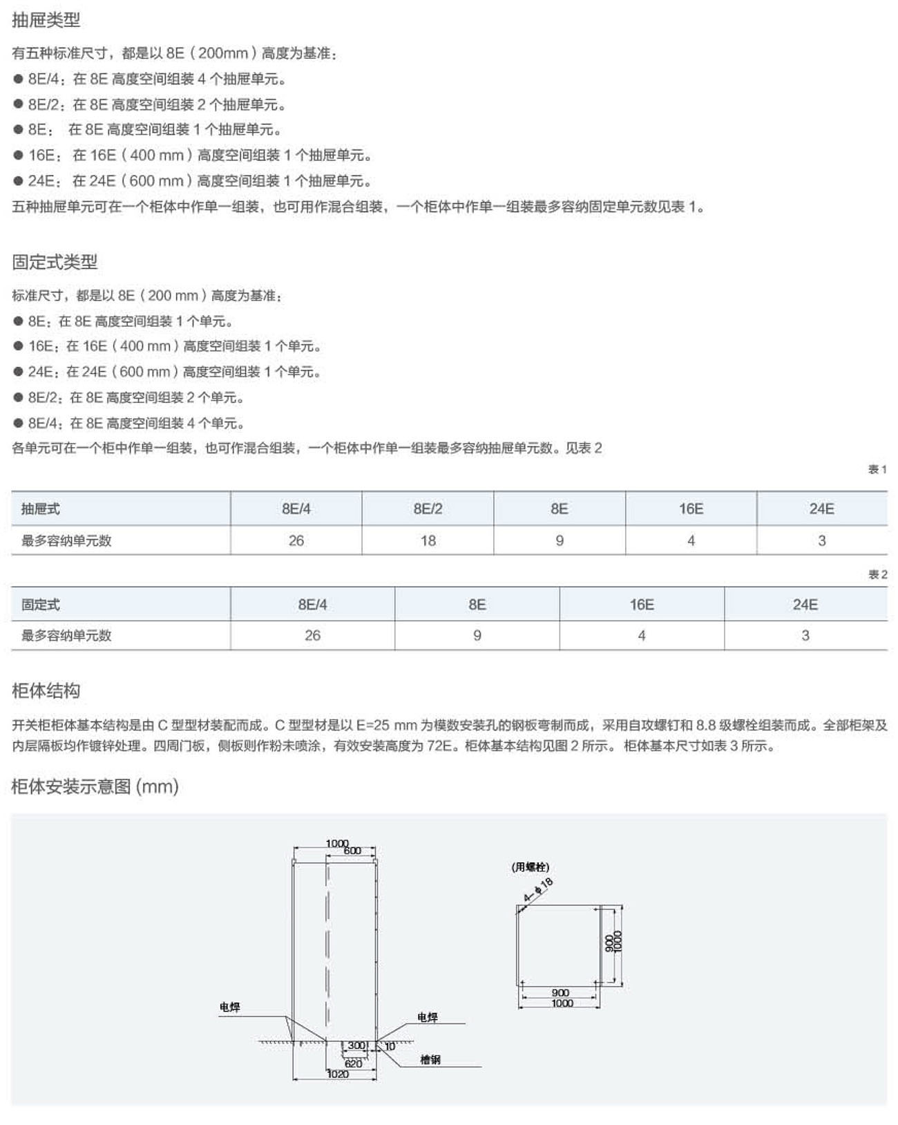
MNS低压抽出式开关柜
我们专业从事高低压电器系列产品研制、开发、制造、销售、服务于一体。
公司一直以来坚持“以人为本、科技创新、质量至上、服务至上”的经营理念。
真诚欢迎各界人士前来洽谈,共谋发展!
联系我们
产品详情
返回
上一个:GCS低压抽出式开关柜
下一个:JP户外综合配电箱
相关产品
TY-APF有源滤波器
KYN28A-12铠装移开式金属封闭开关设备
TYZNX系列抗谐型智能电容器
DFW低压电缆分支箱
点击
隐藏
电话
咨询
0577-27858858
客服热线